
CUBAN provides analogue input output, initially 8-bit (CUBAN-8) but later 12-bit (CUBAN-12A/B).
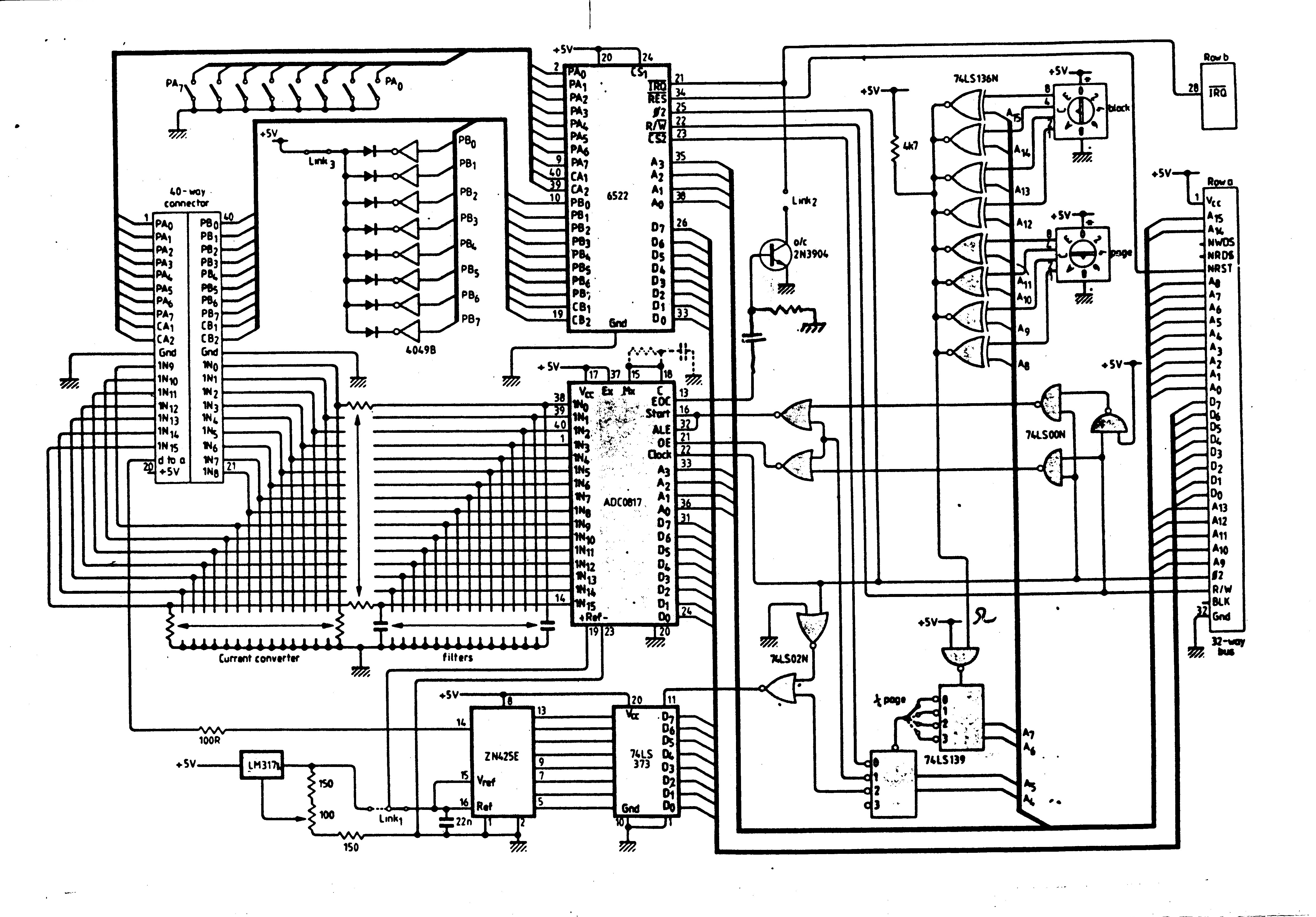
CUBAN-8 provided 16 channels of Analogue-to-Digital (ADC0817) and 1 channel of Digital-to-Analogue (ZN425E), it also provided 2 eight bit digital input/outputs (6522).
CUBAN-12A is a 13-bit integrating Analogue-to-Digital converter which could deliver up to 12.5 conversions per second.
CUBAN-12B provides 8 12-bit analogue inputs and 4 12-bit Digital-to-Analogue outputs at a typical conversion speed of 25μS.
F
CUBAN-8 only the one shown above

CUBAN-12B
