
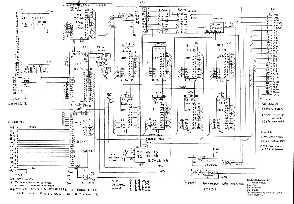
CUBIT is a 6502 based Eurocard not dissimilar to the original Acorn board, it has a 6522 for e.g. keyboard, a 4K EPROM socket and capacity for up to 4K RAM using 2114's. It was originally intended as an expansion board for the AIM65, a wire wrap socket was fitted for the 6502 which then plugged into the empty AIM65 6502 socket.
It was intended to be used with 'DOS', I'm not sure if this was Acorn DOS or a Control Universal version ?
CUBIT [14]


(Apologies for the rubbish photo - I'll try and get a better one next time I visit !)