Whilst my main interest is with early Acorn computers I also have an interest in the Rockwell AIM 65 being the machine I would have dearly loved to own when I was at college in Brighton at the end of the 1970's.
Although not Rockwell machines I've also included the KIM-1 and SYM-1 computers as these where precursors to the AIM 65.
All of these machines use the 6502 microprocessor originally developed by MOS technology.
The KIM-1 was a single-board computer released in 1976 by MOS Technology as a demonstrator of the capabilities of their recently released 6502 microprocessor, KIM standing for Keyboard Input Monitor. Soon after Commodore purchased MOS Technologies and they then released a rebranded Commodore version of the KIM-1.


The MOS KIM-1 was originally priced at $245 and included 1K RAM a 6-digit LED display and hexadecimal keypad. There was an optional cassette interface. A pair of edge connectors provided for future expansion and external interfacing.
The monitor program (1K) resided in ROM which is part of the RRIOT 6530 (ROM, RAM, I/O and Timer).
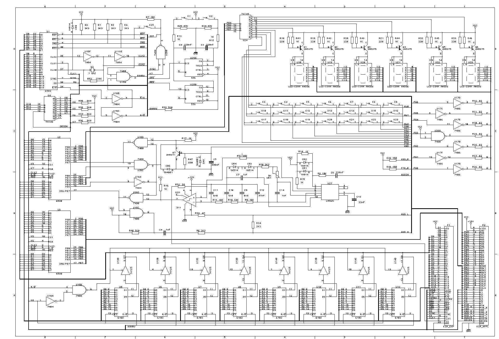
Here are a couple of Schematics and User Manuals:
Firmware
Here is a .pdf of the original source code from the MOS manual: MOS KIM-1 Firmware Source Code.pdf
I have recreated the source code in the ca65 assembler format:
and here is a Memory Map:
The resulting binary is a single file however the code was originally split between the two 6530 RRIOT (Z2 and Z3) so here are the individual binaries:
Unfortunatly the MOS6530 ROM is mask programmed which makes building a replica difficult, the MOS6532 provides compatible RAM, I/O and Timer but no ROM !
The SYM-1 was developed by Synertek as an improved version of the KIM-1, it was initially called the VIM-1 (Versatile Interface Module). It retained one of the 6532 to drive the same 6-digit 7-segment display as the KIM-1 but had more RAM (4K) and ROM slots.

Here is a Schematic and User Manual:
and here is a Memory Map:
Firmware
The SYM-1 came with a much improved 4K monitor: 'Supermon'.
The AIM 65 (Advanced Interactive Monitor) was introduced by Rockwell in 1978 it followed on from the KIM-1 and SYM-1 sharing the same expansion connectors however it had a much improved 20-character 16-segment display, QWERTY keyboard and built-in printer. It included a 2K firmware but could be expanded to include an Assembler, BASIC as well as several other languages.

Follow this link to get to my AIM 65 page.
Rockwell also developed an extensive range of Eurocard sized boards that could be used as add-ons to the AIM 65 or form a standalone rack based computer, known as the System 65.
Follow this link to get to my RM 65 page.
I now have three AIM 65's and several add-on boards, you can see them here: My Rockwell Collection.
I have also created replicas of some Rockwell items, they are detailed here Rockwell Replicas.
Much of the information on these pages comes from retro.hansotten.nl with Hans kind permission, there you will find a wealth of other information on these and other retro computers.